Rozbočovač k vnitřním jednotkám SDV5 a SDV6 SREF-01 Více
Upozornění: klimatizaci nebo tepelné čerpadlo používejte pouze k určenému účelu, instalaci by měla provádět kvalifikovaná osoba, dodržujte návod výrobce, údržba by měla být alespoň 1-2 za rok, zvýšená hlučnost nebo vibrace může značit poškození, produkt nerozebírejte, při práci používejte vhodné ochranné prostředky a nářadí, při nesprávné instalaci nebo poškození může dojít k úrazu elektrickým proudem, při přehřátí nebo zkratu může dojít k požáru, při porušení nebo netěsnosti potrubí chladiva může hrozit otrava a poškození okolního vybavení, v případě poruchy nechte jednotku opravit kvalifikovanou firmou.
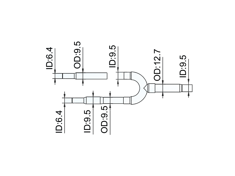
Rozbočovač k vnitřním jednotkám SDV5 a SDV6 SREF-01
Rozbočovače jsou použitelné jak pro komerční řadu SDV5 a SDV6, tak pro řadu UNI SPLIT 2 v případě napojení UNI COMBI (tedy 2, 3 nebo 4 vnitřních jednotek). Zapojení tohoto typu bude používat pouze typ SREF-01.
- Průměr potrubí - kapalina: 9,5 mm
- Průměr potrubí - plyn: 19,1 mm
- Hmotnost brutto: 0,4 kg
- Rozměry balení: 290 x 105 x 100 mm (š x v x h)






