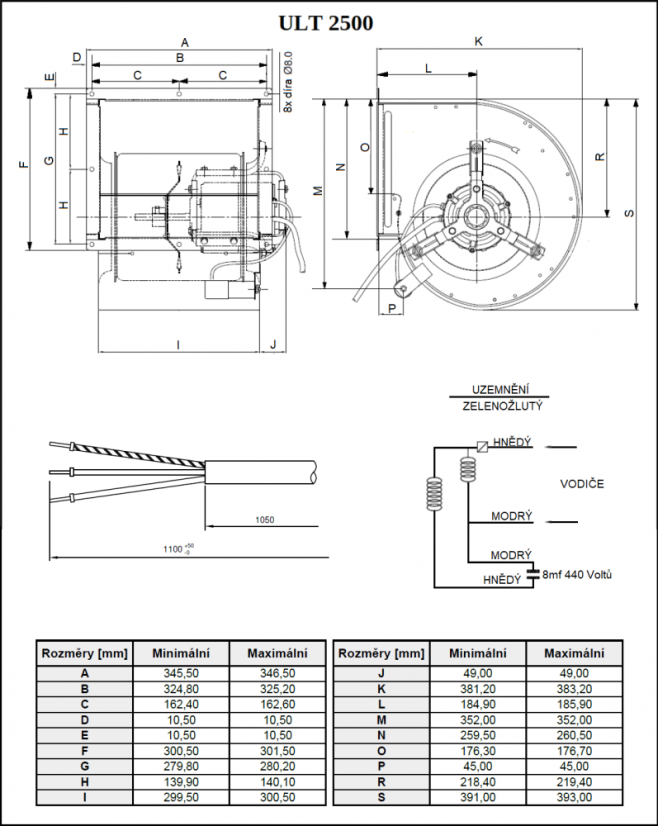
Radiální, odsávací ventilátory řady ULT jsou navrženy a určeny pro pro nepřetržitý provoz . Mají velmi nízkou hladinu hluku, vynikající ovladatelnost a jsou typu dvojitého sání s dopředu zahnutými lopatkami. Vyrobeny jsou z pozinkované oceli a jejich oběžné kolo a motor jsou navzájem staticky i dynamicky vyváženy. Více
Radiální, odsávací ventilátory řady ULT
jsou navrženy a určeny pro pro nepřetržitý provoz . Mají velmi nízkou hladinu hluku, vynikající ovladatelnost a jsou typu dvojitého sání s dopředu zahnutými lopatkami. Vyrobeny jsou z pozinkované oceli a jejich oběžné kolo a motor jsou navzájem staticky i dynamicky vyváženy.
Elektromotory těchto ventilátorů jsou standardně napájeny 230 V / 50 Hz a jsou po celou dobu své životnosti vybaveny kuličkovými ložisky třídy C s předlisovaným mazáním tukem. Mají standardní třídu vinutí B. Elektromotor a oběžné kolo ventilátorů jsou po obou stranách zavěšeny v gumových tlumičích vibrací, čímž je zaručen jejich tichý provoz bez vibrací.
Ventilátory ULT jsou vhodné pro tyristorovou a transformátorovou regulaci.
Přípustná teplota okolního vzduchu by se měla pohybovat v rozmezí -20°C až +40°C.
| Frekvence Hz | 50 |
|---|---|
| Hmotnost kg | 10,0 |
| Jmenovitý proud A | 2,4 |
| Krytí motoru | IP31 |
| Materiál | Kov |
| Maximální provozní teplota °C | +40 |
| Minimální provozní teplota °C | -20 |
| Napětí V | 230 |
| Otáčky min-1 | 870 |
| Počet pólů | 6 |
| Příkon W | 510 |
| Průtok m3/hod | 2500 |
| Rozměry potrubí mm | 300x260 |
| Statický tlak Pa | 205 |
| Typ ventilátoru | radiální |
| Frekvence Hz | 50 |
|---|---|
| Hmotnost kg | 10,0 |
| Jmenovitý proud A | 2,4 |
| Krytí motoru | IP31 |
| Materiál | Kov |
| Maximální provozní teplota °C | +40 |
| Minimální provozní teplota °C | -20 |
| Napětí V | 230 |
| Otáčky min-1 | 870 |
| Počet pólů | 6 |
| Příkon W | 510 |
| Průtok m3/hod | 2500 |
| Rozměry potrubí mm | 300x260 |
| Statický tlak Pa | 205 |
| Typ ventilátoru | radiální |












